-
Specification
| Product | Electromagnetic BTU meter |
| Model | SUP-LDGR |
| Diameter nominal | DN15 ~DN1000 |
| Accuracy | ±2.5%,(flowrate=1m/s) |
| Working pressure | 1.6MPa |
| Liner material | PFA, F46, Neoprene, PTFE, FEP |
| Electrode material | Stainless steel SUS316L, Hastelloy C, Titanium, |
| Tantalum, Platinum-iridium | |
| Medium temperature | Integral type: -10℃~80℃ |
| Split type: -25℃~180℃ | |
| Power supply | 100-240VAC,50/60Hz, 22VDC—26VDC |
| Electrical conductivity | > 50μS/cm |
| Ingress protection | IP65, IP68 |
-
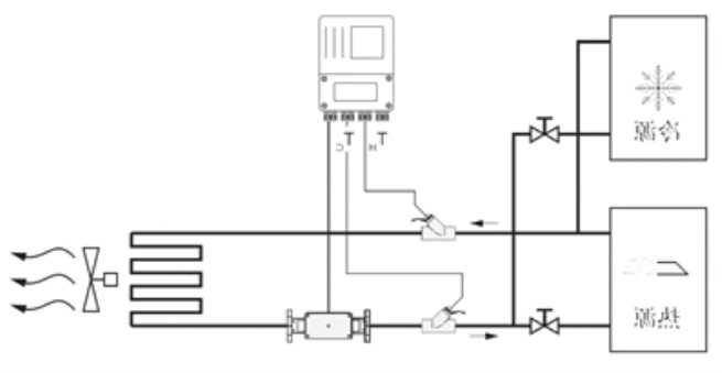
Principle
SUP-LDGR electromagnetic BTU meter(Heat meter) operating principle: Hot (cold) water supplied by a heat source flows into a heat exchange system at a high (low) temperature(a radiator, heat exchanger, or complex system consisting of them),Outflow at low (high) temperature, in which heat is released or absorbed to the user through heat exchange (note: this process includes energy exchange between heating system and cooling system).When water flow through the heat exchange system, according to the flow sensor of flow and matching the temperature of the sensor is given for the return water temperature, and flow through time, through the calculation of the calculator and display the system heat release or absorption.
Q = ∫(τ0→τ1) qm × Δh ×dτ =∫(τ0→τ1) ρ×qv×∆h ×dτ
Q :Heat released or absorbed by the system,JorkWh;
qm:Mass flow of water through a heat meter,kg/h;
qv:Volume flow of water through the heat meter,m3/h;
ρ:The density of water flowing through the heat meter,kg/ m3;
∆h:The difference in enthalpy between inlet and outlet temperatures of the heat
exchange system,J/kg;
τ:time,h.

Noted: the product strictly prohibited to be used in explosion-proof occasions.












Đánh giá
Chưa có đánh giá nào.