Bộ chuyển đổi nhiệt độ
-
Specification
| Input | |
| Input signal | Resistance temperature detector (RTD),
thermocouple (TC), and linear resistance. |
| Cold-junction compensation temperature scope | -20~60℃ |
| Compensation precision | ±1℃ |
| Output | |
| Output signal | 4-20mA |
| Load resistance | RL≤(U-10)/0.021 |
| Output current of upper and lower limit overflow alarm | IH=21mA, IL=3.8mA |
| Power supply | |
| Power supply | (12-40)VDC |
| Other parameters | |
| Temperature drift | 0.02%FS/℃ |
| Response time | Reach to 90% of the final value for 1s |
| Used environmental temperature | -40~80℃ |
| Storage temperature | -40~100℃ |
| Vibration resistance | 4g/2~150Hz |
| Electromagnetic compatibility | Conform to GB/T18268 industrial equipment
application requirements(IEC 61326-1) |
| Đầu vào | |
| Tín hiệu đầu vào | Resistance temperature detector (RTD),
thermocouple (TC), and linear resistance. |
| Nhiệt độ hoạt động | -20~60℃ |
| Độ đúng | ±1℃ |
| Đầu ra | |
| Tín hiệu đầu ra | 4-20mA |
| Độ chịu tải | RL≤(U-10)/0.021 |
| Output current of upper and lower limit overflow alarm | IH=21mA, IL=3.8mA |
| Nguồn cung cấp | |
| Nguồn điện | (12-40)VDC |
| Thông số khác | |
| Độ trôi nhiệt độ | 0.02%FS/℃ |
| Thời gian phản hồi | Reach to 90% of the final value for 1s |
| Môi trường hoạt động | -40~80℃ |
| Nhiệt độ lưu trữ | -40~100℃ |
| Độ kháng rung | 4g/2~150Hz |
| Khả năng tương thích điện từ trường | Conform to GB/T18268 industrial equipment
application requirements(IEC 61326-1) |
Input Type Table
| Model | Type | Measurement scope | Minimum measurement scope |
| Resistance temperature
detector (RTD) |
Pt100 | -200~850℃ | 10℃ |
| Cu50 | -50~150℃ | 10℃ | |
| Thermocouple (TC) | B | 400~1820℃ | 500℃ |
| E | -100~1000℃ | 50℃ | |
| J | -100~1200℃ | 50℃ | |
| K | -180~1372℃ | 50℃ | |
| N | -180~1300℃ | 50℃ | |
| R | -50~1768℃ | 500℃ | |
| S | -50~1768℃ | 500℃ | |
| T | -200~400℃ | 50℃ | |
| Wre3-25 | 0~2315℃ | 500℃ | |
| Wre5-26 | 0~2310℃ | 500℃ |
-
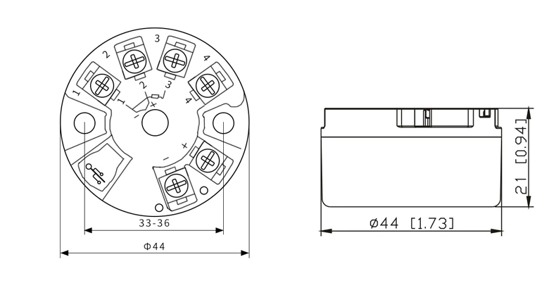
Product size

-
Product wiring

Note: no 24V power supply is required when using the V8 serial port programming line
-
Software

SUP-ST500 temperature transmitter supports input signal adjustment. If you need to adjust the input signal, please let us know and we will give you software.

With the software, you can adjust the temperature type, such as PT100, Cu50, R, T, K etc; input temperature range.












Đánh giá
Chưa có đánh giá nào.